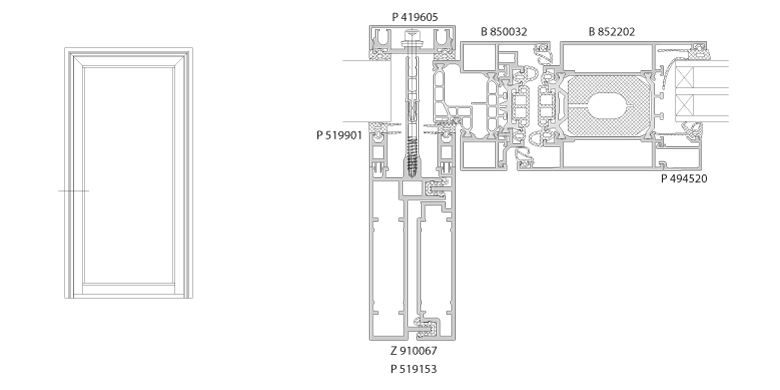
FRONT LINE
PERFECT COMBINATION OF STORE FRONT AND ENTRANCE DOOR

Front Line door system allows particularly economical, efficient, modern and plug-on implementation of elegant entrance door strips with store fronts/façades.
With its slender elevations, this intricate door solution has the outward appearance of mullion/transom design. At the same time a selection of different cover shells opens up numerous design options.
Highlights:
- Perfect combination of store fronts and QUALIDO door systems except for High Line series.
- Plug-on system
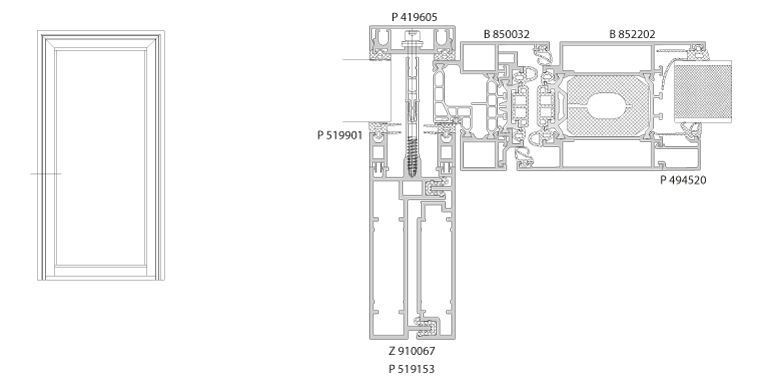
With its slender elevations, this intricate door solution has the outward appearance of mullion/transom design. At the same time a selection of different cover shells opens up numerous design options.
Highlights:
- Perfect combination of store fronts and QUALIDO door systems except for High Line series.
- Plug-on system
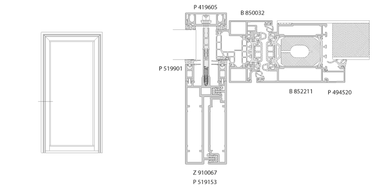
At the entrance of this house, Front Line Door with QD 75 DC is integrated to QUALISYS Façade System. The door panel design is NICE, with Clear & Satinated glass decoration.
COMBINATION WITH QUALIDO PRODUCTS





